
Противотуманные фары — это незаменимый элемент для любой машины, так как они помогают при езде во время сильного тумана. Для тех, кто не знает: противотуманные фары располагаются значительно ниже основных фонарей, практически возле самого бампера. Это позволяет освещать дорогу на низком уровне, ведь туман стелется в 30-60 см над землей. Кроме того, даже если нет тумана, дополнительные фары всегда помогут обозначить габариты вашей машины во время езды ночью.
Самостоятельно устанавливаем и подключаем противотуманки на Калину



Несмотря на то, что противотуманная оптика освещает дорогу всего на 10 метров, она все равно позволяет обеспечить безопасное передвижение на автомобиле в непогоду. При отсутствии этого типа фар видимость дороги будет ограничена, что отразится на безопасности водителя и пассажиров машины. Как установить противотуманки на Калину и какие фары для этого можно использовать – читайте ниже.
Замена лампочки в противотуманной фаре на Киа Спектра
1). Сжимаем фиксаторы и отсоединяем колодку жгута проводов.
2). Поворачиваем патрон против часовой стрелки и извлекаем его и фары.
3). Устанавливаем лампу в сборе с патроном в порядке, обратном снятию.
Несмотря на то, что противотуманная оптика освещает дорогу всего на 10 метров, она все равно позволяет обеспечить безопасное передвижение на автомобиле в непогоду. При отсутствии этого типа фар видимость дороги будет ограничена, что отразится на безопасности водителя и пассажиров машины. Как установить противотуманки на Калину и какие фары для этого можно использовать — читайте ниже.
Какие выбрать туманки для Калины?
Перед тем, как установить противотуманные фары на Калину 2 или 1, нужно определиться с видом оптики и ее производителем. Каждый автолюбитель, который когда-либо подключал ПТФ, знает, что от производителя и типа оптики зависит многое. Для автомобилей Лада Калина первого и второго поколения в продаже можно найти множество разновидностей фонарей. Причем они отличаются между собой не только по типу и производителю, но и по эффективности свечения, а также комплектации.



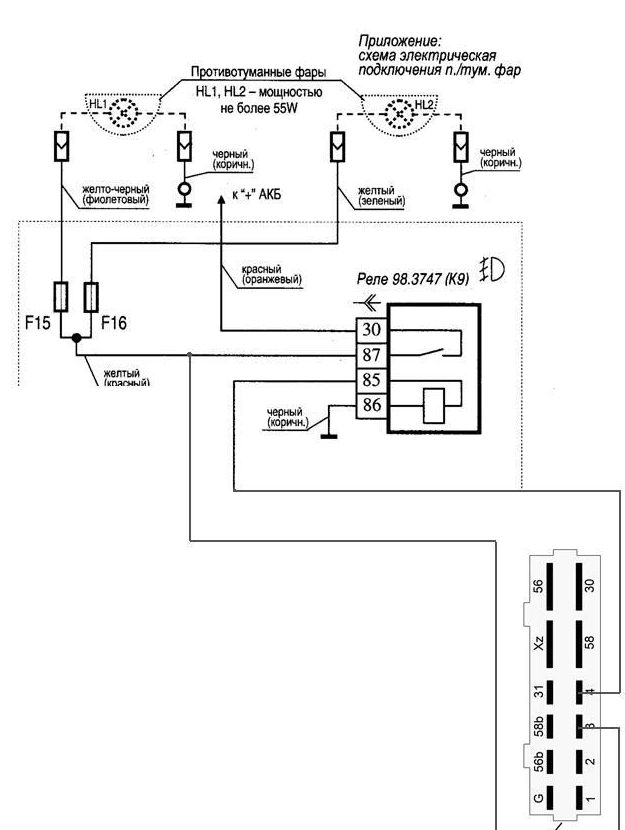
Схема соединения оптики с реле и кнопкой
Наиболее распространенные производители ПТФ для Калины:
- отечественная компания Киржач – один из самых проверенных производителей, который может похвастаться достойным качеством туманок;
- Луч- еще один отечественный бренд, заслуживший доверие наших соотечественников;
- Бош – известная на весь мир компания, которая занимается не только выпуском ПТФ, но и многих других видов деталей и комплектующих для машин;
- Проспорт – китайский бренд, попавший на отечественный рынок не так давно.
Что касается разновидностей, то оптика может отличаться в соответствии с внешним видом:
- фары могут быть сдвоенными;
- округлой формы;
- в форме квадрата;
- овальные фонари.
Лучше всего подбирать оптику, которая по конструкции соответствует установленным в бампере заглушкам (автор видео – канал Lada1119).
Подготовка к работе
Прежде чем отправляться в магазин автозапчастей и выбирать противотуманные фары (ПТФ), владельцам автомобилей следует знать, что порядок их установки регламентирован Правилами дорожного движения.
В частности, установка ПТФ на автомобиле должна осуществляться в местах, указанных автопроизводителем.
Применительно к продукции проводки АвтоВАЗа схема подключения противотуманных фар на Калине подразумевает их установку в переднем бампере:
- Для этого в нем есть специальные места, прикрытые пластиковыми заглушками;
- Комплектация покупных фар должна иметь все необходимые элементы для правильного подключения (проводку, клеммные колодки, кнопку включения, плавкий предохранитель и реле).



Обратите внимание! Покупные фары всегда меньше по размеру, чем штатное место для установки. Поэтому, в комплекте с ПТФ должны быть и пластиковые подфарники.
Что можно приобрести для Калины
Большое разнообразие противотуманок для автомобилей поражает воображение своим видом и формами:
- Круглые;
- Овальные;
- Квадратные;
- Сдвоенные;
- Утапливаемые;
- Для наружной установки и т.п.
Детальная инструкция по замене противотуманок
Установка противотуманных фар на Калину может быть произведена как специалистами, так и в гаражных условиях. Если вы читаете эту статью, то скорей всего, вы планируете устанавливать оптику самостоятельно. Мы готовы вам в этом помочь – ниже представлена подробная инструкция по монтажу фонарей, а также список инструментов, которые вам потребуются. Кроме того, вам понадобится схема подключения противотуманных фар, обычно она идет в комплекте с оптикой.
Инструменты и материалы
Для выполнения работ приготовьте следующий инструмент:
- наборе отверткой – с крестовым и плоским наконечниками;
- набор гаечных ключей, в частности, вам потребуются ключи на 8 и 10, но могут понадобиться и другие;
- кусачки;
- изолента.



Соединение контактов с выводами реле в блоке
Пошаговая инструкция
Итак, установка противотуманок осуществляется следующим образом:
- Сначала необходимо открыть капот, отключить аккумулятор, после чего выкрутить крепежные детали и демонтировать передний бампер.
- Затем при помощи отвертки с плоским лезвием вам нужно будет отогнуть фиксаторы и извлечь из посадочных мест заглушки. Затем возьмите купленные противотуманки и зафиксируйте каждую из них при помощи трех саморезов. Проследите за тем, чтобы оптика была надежно установлена в месте монтажа – она не должна подвергаться вибрациям в процессе езды, поскольку это спровоцирует ее ускоренный выход из строя.
- Затем залезьте в салон автомобиля. Под педалью сцепления расположен специальный уплотнитель, его необходимо демонтировать. Когда вы получите доступ к технологическому отверстию, сможете протолкнуть проводку от противотуманок в салон.
- Теперь вам надо подсоединить оптику к бортовой сети. Если вы хотите, чтобы ее можно было активировать отдельно от основного света, то нужно будет провести кнопку в салон и установить ее на консоли в салоне машины. В этом случае вам нужно только подключить проводку от противотуманок к основным фарам, для этого потребуется врезаться в их цепь. Подключив провод, заизолируйте разделенный участок при помощи изоленты, это позволит предотвратить возможные замыкания в будущем. После подключения все провода необходимо зафиксировать при помощи стяжек или той же изоленты.
- От туманок идет еще один провод – масса Отрицательные выводы надо подключить к болтам, установленным на кузове машинки. Их также нужно надежно зафиксировать, в противном случае, если они отсоединятся в процессе езды, оптика работать не будет.
- Следующим этапом будет установка управляющей кнопки с реле, ее лучше всего будет врезать в центральную консоль. После того, как будет осуществлен монтаж кнопки, к реле следует подсоединить розовый кабель от блока.
- При подключении желательно использовать предохранительное устройство на 15 ампер. К этому элементу, а также проводке от противотуманок подключаются и силовые контакты реле, они отмечены номерами 30 и 87.
- Когда фары будут установлены, нужно произвести диагностику правильности монтажа. Опять проверьте качество фиксации фонарей на бампере, поскольку это очень важно. Проверьте работоспособность оптики, если вы не допустили ошибок при установке и подключении, то фонари будут работать.
- Теперь вам остается только аккуратно собрать и установить на место бампер. При установке будьте осторожны, чтобы не повредить проводку. После установки бампера рекомендуем еще раз проверить работоспособность оптики.
Цена вопроса
Стоимость оптики напрямую зависит от ее качества, эффективности и производителя. Как известно, китайские аналоги всегда стоят на порядок дешевле более дорогих европейских фар. Но нужно помнить, что более дешевые фары будут работать менее эффективно, их ресурс эксплуатации обычно меньше, чем у более дорогих аналогов. Учитывайте это при покупке.
2302-18-12-03 (Копировать)
Внимание! Лампы противотуманного света — галогенные. Не следует касаться пальцами их стеклянной колбы, так как следы от них приведут к потемнению лампы при нагреве. Удалить загрязнение с колбы можно чистой ветошью, смоченной в спирте.
Новую лампу Н11 устанавливаем в обратной последовательности.
Противотуманная фара снимается в случае проведения кузовных работ или в случае ее замены. На автомобиле Лада Калина применяются противотуманные фары производсва Bosh (г. Рязань) и завода ООО АВТОсвет (г. Киржач), именно эти производители авторизованы АВТОВАЗом. В случае если вы на меняете, а устанавливаете противотуманные фары впервые, то более подробную информацию о их подключении, вы найдете в статье “Установка противотуманных фар Лада Granta, Калина”
Инструменты для замены противотуманной фары на автомобиле Лада Калина: Вам потребуются: ключ ТОRХ Т20, отвертка с плоским лезвием.
Операции по замене противотуманной фары
1. Отсоедините аккумуляторную батарею. 2. Снимите передний защитный подкрылок, чтобы получить доступ к бамперу с обратной стороны. Снимается соответсвенно тот подкрылок, с какой стороны вы меняете противотуманную фару. 3. Сжав фиксатор, отсоедините жгута проводов от лампы противотуманной фары. 4. Выверните три винта снимите противотуманную фару с автомобиля



5. Противотуманная фара на автомобиль устанавливается в обратном порядке. 6. Произведите регулировку противотуманной фары
Подключение противотуманных фар Калины
В комплекте с помимо противотуманных фар и креплений должна быть проводка, которой часто не хватает. Мы рекомендуем вам докупить несколько метров провода сечением не менее 0,75кв.мм. Провода из моторного отсека в салон протягиваем с помощью куска проволоки по правому борту через отверстие над педалью сцепления. Для получения доступа потребуется снять переднее левое колесо и подкрылок.



Самые практичные места для установки кнопку ПТФ в тоннеле, либо на панели вместо кнопки кондиционера.



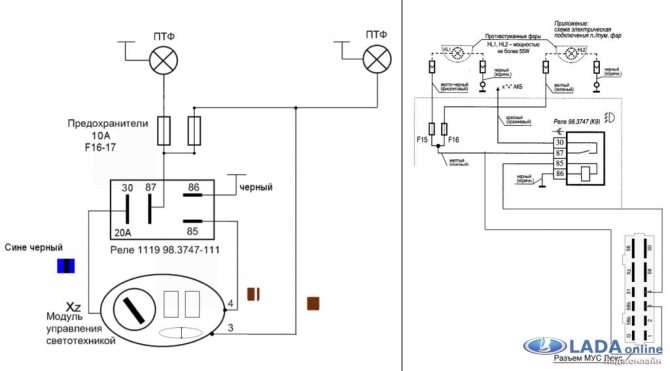
Менее популярный метод — подключение ПТФ к модулю управления светом (МУС). Реле закрепляем навесным креплением в монтажном блоке.



Лада Калина Хэтчбек ТэТэшка › Бортжурнал › Установка ПТФ своими руками
Наконец-то появилось свободное время и посветил я его установке противотуманных фар. Уж очень хотелось добавить их, чтобы улучшить внешний вид машины. Комплект приобрел пару месяцев назад на авторынке. Он состоял из:
ПТФ с галогеновыми лампами MTF light vanadium 5000К — чуть больше 2000 р. Облицовка (очки) — 500 р. Комплект для установки (провода, реле, кнопка) — 500 р. Держатель с предохранителем, 2 шт. — 70 р.
Для установки потребовалось снять бампер (иначе никак). Сразу же я увидел, что стало с моим радиатором за год активной эксплуатации.
Тут же сразу решил поставить сеточку перед ним, дабы упасти его от дальнейших повреждений.
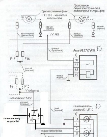
Схема подключения ПТФ на Калину
В комплекте идет инструкция по установке:



А также схема (фото слева). Схема может быть доработана (фото справа) добавлением еще одного реле, которое не позволит гореть противотуманкам после выключения зажигания.



Схема подключения кнопки противотуманок:



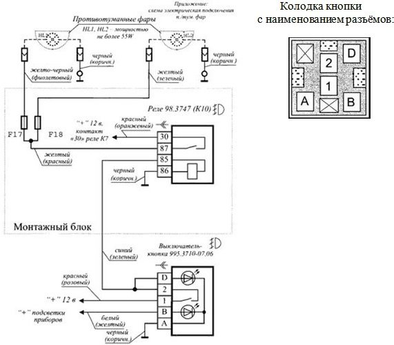
Для владельцев Лада Калина с МУС схема подключения противотуманок следующая:



Распиновка контактов МУС Лада Калина:
- Контакт 1 — к ЗПТО
- Контакт 2 — кнопка управления ЗПТО
- Контакт 3 — индикатор (светодиод) состояния ПТФ (включены или выключены);
- Контакт 4 — вывод включения реле ПТФ
- Контакт 30 — 12в (постоянный + приходящий от АКБ)
- Контакт 31 — Общий минус (масса).
- Контакт 56 — К ближнему и дальнему свету фар.
- Контакт 58 — К габаритным огням.
- Контакт 58b -выход (регулируемое напряжение)на подсветку ручек, кнопок и панели приборов.
- Контакт XZ — (+) от замка зажигания
Напомним, что другие фотоотчеты вы можете найти в разделе Тюнинг Лада Калина.
Установка и подключение противотуманных фар на Калину
Не все комплектации Lada Kalina предусматривают наличие противотуманок. Однако, можно легко подключить и установить противотуманные фары Калины своими руками.
Противотуманки Калины, какие лучше ?
Противотуманки на Калину продают разные, и различаются они не только по производителю, но по качеству изготовления, а также по комплектации. Например:
- ПТФ Bosch с плоским стеклом, продаются только парой, качество изготовления на высоком уровне.



- ПТФ Киржач уже с выпуклым стеклом, как линза. Можно отдельно купить фару, а не комплект целиком.



- ПТФ Луч — аналог Bosch, только у них отсутствует клапан запотевания.



- ПТФ ProSport — китайские противотуманные фары, качество на том же уровне.



Примерная цена противотуманок составляет 1500 рублей.
Установка противотуманных фар на Калину
Установка ПТФ на Калину может быть выполнена без снятия бампера, достаточно будет открутить передние части подкрылков, тогда места для установки фар хватить. При желании можно снять бампер Калины и произвести установку фар в более комфортных условиях.
Снять заглушку противотуманок с помощью отвертки. Установить заглушки под ПТФ из комплекта (перед установкой красим), а затем закрепить сами фары на 3 самореза.
Подключение противотуманных фар на Калину
Если проводка для протувотуманок отсутствует, тогда ищите комплект проводки для ПТФ от Калины или Приоры (цена 400рублей), но учтите, что в этом комплекте не хватит длинны провода, управляющий провод от кнопки придется тянуть к реле через заглушку над педалью газа. Либо находим проводку сечением не менее 0,75кв.мм.
Чтобы проложить проводку фар из подкапотного пространства в салон, потребуется снять переднее левое колесо и пластиковые подкрылки (локеры). С помощью проволоки протаскиваем провода из салона, над педалью сцепления.
Установить кнопку ПТФ можно:
- В тоннель между сиденьями (как снять тоннель Калины). Тут используется кнопка ПТФ от ВАЗ 2115.
- На панель, если комплектация Калины без кондиционера, тогда вместо кнопки кондиционера.
- В блок управления наружным освещением или по-другому модуль управления светом (МУС).
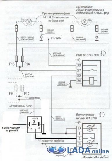
Схема противотуманных фар Калина по первому и второму варианту следующая:



Еще одно реле в последней схеме не позволит гореть ПТФ после выключения зажигания.
Схема противотуманок Калины по третьему способу:



Чтобы при включенном головном освещении не горели ПТФ при заглушенном моторе нужно подключить контакт №30 реле К9 (‘+ от АКБ’) к проводу, который выходит из контакта МУС:’Xz’.
Частичная распиновка контактов МУС:
- Контакт 1 — к ЗПТО
- Контакт 2 — кнопка управления ЗПТО
- Контакт 3 — индикатор (светодиод) состояния ПТФ (включены или выключены);
- Контакт 4 — вывод включения реле ПТФ
- Контакт 30 — 12в (постоянный + приходящий от АКБ)
- Контакт 31 — Общий минус (масса).
- Контакт 56 — К ближнему и дальнему свету фар.
- Контакт 58 — К габаритным огням.
- Контакт 58b -выход (регулируемое напряжение)на подсветку ручек, кнопок и панели приборов.
- Контакт XZ — (+) от замка зажигания
Осталось не забыть отрегулировать противотуманные фары на Калине.



Замена противотуманной фары ВАЗ (Lada) Kalina 1117 2004-2013
Инструмент:
- Ключ с наконечником Torx (звездочка) Т20
- Гаечный ключ рожковый 10 мм
- Отвертка плоская средняя
Детали и расходники:
Примечание:
Противотуманная фара снимается в случае проведения кузовных работ или в случае ее замены. На автомобиле Лада Калина применяются противотуманные фары производства Bosh (г. Рязань) и завода ООО АВТО свет (г. Киржач), именно эти производители авторизованы АвтоВАЗом.
1. Отсоедините аккумуляторную батарею.



2. Снимите передний защитный подкрылок, чтобы получить доступ к бамперу с обратной стороны, как описано здесь. Снимается соответственно тот подкрылок, с какой стороны вы меняете противотуманную фару.
3. Сжав фиксатор, отсоедините жгут проводов от лампы противотуманной фары.



4. Выверните три винта и снимите противотуманную фару с автомобиля.



5. Противотуманная фара на автомобиль устанавливается в обратном порядке.
6. Произведите регулировку противотуманной фары



В статье не хватает:
- Фото инструмента
- Фото деталей и расходников
- Качественных фото ремонта
Замена лампочки в противотуманной фаре на Мазда 6
Замена лампочки в противотуманной фаре на Киа Сид
1). Подлезаем рукой под бампер и руками снимаем защитную накладку. Выкручиваем лампочку против часовой стрелки.
2). Снимаем с лампы проволоку.
3). Демонтируем провода с защелкой.
4). Отстегиваем саму лампу.
5). Заменяем на новую.
Замена лампочки в противотуманной фаре на Рено Дастер
1). Чтобы добраться до пластиковой защиты, снимаем или выворачиваем правое колесо влево.



2). Аккуратно отверткой поддеваем клипсу и снимаем защиту.
3). Откручиваем верхнюю пластиковую гайку крепления грязезащитного щитка и вытаскиваем его из подкрылка.



4). Ключом Torx Т-20 откручиваем два самореза крепления защиты к нижней части бампере.
Какие функции выполняют противотуманные фары и стоит ли их устанавливать на Калину
Механики и опытные автолюбители рекомендуют устанавливать ПТФ на большинство моделей отечественных автомобилей. Такие фары недорогие и ставятся достаточно легко. Они сильно выручают во время езды при густом тумане, когда видимость составляет всего несколько метров. ПТФ устанавливают ниже основной оптики, они освещают дорогу на высоте около 50 см – именно там собирается туман.



Внешний вид ПТФ на Калину
В продаже можно встретить разные комплекты противотуманных фар, которые отличаются по цене и качеству. Лучше выбирать известных производителей, так как их оптика действительно даёт хорошую видимость и имеет долгий срок службы.
Совет: Даже яркие ПТФ при условии правильной установки не будут слепить глаза других водителей, поэтому такая оптика может быть включена в любое время суток.
Что нужно для установки и подключения
Стандартные ПТФ входят в некоторые комплектации Калины, они установлены на нижнем бампере. Не всегда качество освещения стандартной оптики оптимальное – многие механики рекомендуют приобрести более качественный комплект и установить его на автомобиль. Конструкторы предусмотрели возможность замены таких фар, для ремонта не потребуется полностью снимать передний бампер.
Какие ПТФ лучше поставить
Производители предлагают разные комплекты оптики по цене и качеству. Стоит отметить наиболее подходящие варианты для Калины:
- Оптика Bosch имеет плоское стекло и продаётся в комплекте из 2 приборов. Имеет высокое качество сборки и долгий срок службы.
- Фары Киржач можно приобрести по одной – здесь используют выпуклое стекло в форме линзы.
- Противотуманки Луч имеют неплохое качество, но в конструкции не предусмотрен клапан запотевания.
- Фары ProSport, несмотря на страну-производителя Китай, имеют хорошее качество при невысокой цене.



ПТФ разных фирм производителей отличаются по цене и качеству
Совет: Стоит отметить, что отечественные производители практически не уступают по качеству изделий иностранным компаниям. Они также дают неплохую гарантию на свои приборы.
Инструменты и материалы
Кроме самой оптики? вам потребуется приобрести монтажный набор для подключения. В него входят:
- реле;
- включатель фар;
- несколько проводов с разъёмами;
- соединители;
- саморезы;
- инструкция со схемой установки.



Все необходимое входит в монтажный комплект для подключения ПТФ
На комплекте должна быть специальная маркировка 1119. Она означает, что все детали предназначены для установки в подготовленное место монтажного блока.
ПТФ могут продаваться с внешними рамками или без них. Перед установкой рамки необходимо покрасить под цвет кузова или приобрести уже готовые в подходящей цветовой гамме. Из инструмента понадобится стандартный гаечный ключ на 8 и хорошая отвёртка. Работы можно проводить как при установленном переднем бампере, так и при снятом.
Основные варианты конструкций и критерии, влияющие на качество
В торговой сети можно встретить следующие виды изделий:
- Продукция под брендом Bosch продается всегда в комплекте (2 шт.) и отличается достаточно прочным стеклом и хорошим качеством светового потока. Можно сказать, что это самый надежный вариант, но и его цена заметно выше всех остальных аналогов.
- ПТФ производства во многом схожи с вышеописанными, но на самом деле их качество заметно уступает первому варианту. Единственное преимущество – более низкая стоимость.
- Противотуманные фары Киржач на Калину имеют линзообразные выпуклые стекла, что позволяет концентрировать световой поток и направлять его именно туда, куда требуется. Довольно добротное и надежное решение.
- Изделия под брендом ПроСпорт и другими подобными марками выпускаются китайскими заводами. Судить об их надежности и качестве сложно, так как один вариант может быть отличным, а второй выйдет из строя за очень короткий срок.
Будет полезно: Даешь пробки: многие улицы в российских городах станут пешеходными



Продукция концерна Бош и здесь на ведущих ролях
Вопрос, какие противотуманные фары лучше на Калину, вызывает ряд споров, поэтому решение за вами. Как показывает практика, самые популярные варианты — это Бош и Киржач.
Важно! Все из вышеперечисленных вариантов отлично подходят для установки, и вам не придется производить какие-либо переделки в конструкции.
Как установить комплект противотуманок своими руками + схема
Чтобы сэкономить время на демонтаж бампера мы покажем, как проводить замену не снимая его.
- При установке правой фары поворачиваем руль до предела в эту сторону – так увеличивается рабочее пространство.
- Снимаем передний грязезащитный щиток.



Поворачиваем руль вправо и снимаем щиток



Прикрепляем фару на 3 самореза изнутри
На этом сама установка оптики закончена. Теперь подключаем фары, используя приобретённый заранее монтажный набор.
Нюансы подключения ПТФ на Калине
Процесс подключения немного сложнее монтажа оборудования и требует внимательности при работе. Рекомендуем сразу качественно проложить все провода из подкапотного пространства в салон Лады, чтобы они не мешали и не путались под ногами.
- Подсоединяем жгут к правой и левой противотуманным фарам и закрепляем провод «массы» на корпус.
- Плюсовой провод подключаем к аккумуляторной батарее.
- Далее протягиваем жгут в салон через стандартное отверстие в левом крыле машины.
- Когда жгут протянут в салон, потребуется снять пепельницу, открутив 4 небольших болта.



Протягиваем жгут в салон и снимаем пепельницу



Вытягиваем ручки управления обдува



Монтируем кнопку включения ПТФ на место заглушки



Соединяем провода с помощью коннекторов



Выдвигаем монтажный блок



Соединяем провода, используя схему подключения
Видео: Как монтировать и подключить противотуманные фары на Ладе Калине
Правильная регулировка ПТФ
Чтобы противотуманная оптика не мешала встречным водителям, её необходимо правильно отрегулировать. Так как фары дают направленный свет перед собой, их нужно установить строго горизонтально. Проверить освещение можно, поставив авто перед ровной стеной и включив фары в вечернее время. Основной луч должен быть на уровне переднего бампера и не подниматься выше 50-60 см от земли.
Замена противотуманок на Калине своими руками не требует особых навыков и теоретических знаний. Вместе с комплектом идёт инструкция по замене со схемой подключения. Если у вас возникли трудности при соединении проводов, можно позвать на помощь знакомого электрика.
Конструкция системы освещения
Оптика для Калины изготавливаются на двух заводах:



Оба типа оптики обладают отличными характеристиками и качественно освещают дорогу. Распознать продукцию Bosch можно по отсутствующему колпачку на лампе в ближнем модуле, а также по коду AL на стекле.
Устройство фары Лада Калина не отличается от большинства автомобилей. Фонарь имеет ближний и дальний модули, блоки с поворотниками и габаритными огнями. В новом кузове Калины габариты также играют роль ходовых огней.
В оптике Калины используются лампы:
- ближний – H7, 55W;
- дальний – H1, 55W;
- указатели поворотов – PY21W, 21W;
- габариты – W5W, 5W.
Световые элементы от габаритов подходят в модуль освещения номерного знака на крышке багажника. С 2013 года в Калину устанавливается модернизированная оптика, где за габарит и дневной огонь отвечает деталь W21/5W. В противотуманках устанавливаются лампы формата H11 с мощностью в 55W.
Остальные лампы в универсале и хэтчбеке
Для освещения дополнительного оборудования в «Калине-2» используются лампы типоразмера C5W. Они находятся:
- В патроне фонаря подсветки номерного знака;
- В фонаре багажника;
- В осветительном модуле вещевого ящика.
Салон освещает лампа C10W, а в дополнительных боковых светильниках установлены лампы T4W.



Лампочки подсветки и кузовных поворотников
Боковые «поворотники» наделены лампами накаливания без цоколя (W5W). А в противотуманную переднюю оптику могут устанавливаться лампы H11. Успешной замены.
Вот и пришла долгожданная посылка с CREE H11 лампами. Огромное спасибо почте России за то, что эту посылку доставляли аж 91 день!
Но теперь о хорошем. Упаковано все было стандартно, картонная коробка и внутри лампы, завернутые в пупырку.
Китайцами указано 720 лм с одной лампы, т.е. с двух будет 1440 лм, в то время как штатные галогенные лампы выдают 1350 лм. Как бы теоретически, по люменам примерно одно и тоже, а вот на практике дела обстоят совершенно иначе. Но об этом ниже.
Установка производилась без ямы, и снятия чего либо кроме пластикового кожуха. Правда при установке 2ой лампы, я просто отогнул кожух без снятия.
Температура свечения в пределах 6000-7000К.
Световой поток, в отличии от галогенки, формируется за счет отражения 4х боковых диодов, и от фокусировки 2 передних светодиодов в линзе. В итоге ширина освещения значительно сузилась, но зато по высоте за счет линзы свет значительно поднялся выше и стал более заметен. К сожалению обочину темной ночью эти лампы не освещают.
Днем эти лампы значительней заметнее, даже при ярко слепящем солнце.
Ночью от них будет мало толка, да и очень вероятно, что будут слепить встречный поток.
Подведем небольшой итог: Для покупки в качестве ДХО — однозначно рекомендую! НО, в качестве замены штатного света, для езды по не освещенным улицам, они все еще проигрывают галогену.
В любом случае, покупались они как ДХО, чтоб снизить нагрузку на бортовую сеть, и быть более заметным днем. В этом плане они полностью выполняют свою функцию.
Ночью я езжу только на ближнем, и проблем с ослеплением встречных водителей точно не вызову.
Update 13.07.2013
Поездив чуть больше недели с этими лампами, я понял, что мне реально не хватает во дворах боковой засветки, как это было у стандартных туманок. Не долго думая, стандартные лампы были возвращены на место.
Но самое радостное, что Aliexpress (там где покупались лампочки), правда после длительных переговоров, все-таки вернул мне стоимость ламп, т.к. у них действует гарантия на максимальный срок доставки (для России это на сегодня 90 дней), а в моем случае получилось 91 день.
UPDATE 30.09.2013
Вот и умерла одна лампа в левой туманке. Еще при езде с лампами при влажной погоде было замечено запотевание ПТФ. Поездив неделю по лужам, диодная лампа больше не включается. Что, ж для меня опыт впустую потраченных денег Для Вас опыт, что не надо брать эти лампы в качестве ПТФ, и то что влажность либо скачков напряжения они не переносят.
Какую оптику лучше выбрать
В процессе использования машины фонари подвергаются резким перепадам температуры, ударам камнями и мелкими песчинками. Эти факторы отрицательно влияют на стекло, снижают его прозрачность, ухудшая характеристики света.



С завода устанавливаются качественные фары, которые соответствуют требованиям по безопасности. Неофициальные замены комплектуются линзами под ксенон, «ангельскими глазками» и измененной геометрией рефлектора. Такие фонари выглядят красиво, однако изнашиваются быстрее из-за некачественных материалов и могут запотевать при влажной погоде.
Выбирая новую оптику, лучше довериться официальным . При покупке важно уточнить модификацию кузова и год выпуска Калины. В зависимости от комплектации встречаются притемненные маски или улучшенные световые характеристики.
Оптика ближнего и дальнего света
В зависимости от типа кузова в Калине установлены разные детали:
- седан, хетчбэк – стандартная оптика;
- спорт, универсал – оборудуются более вытянутым отражателем с увеличенной площадью для повышения площади освещения на 20%.
Чтобы подключить улучшенную оптику на Калину, не нужно прокладывать дополнительные провода или менять контактные разъемы. По точкам крепления и форме оптика не отличается.
При покупке фонарей следует обратить внимание на оригинальные детали с улучшенными показателями. Это позволит повысить характеристики луча без вмешательства в проводку и переделки штатного крепежа.
Противотуманные фары
Покупая новые ПТФ, выбирать лучше из оригинальных деталей. Штатные фонари оборудованы прочным стеклом и качественным рефлектором, который направляет луч в соответствии с ГОСТ.



Противотуманки на Калину производят:
Модели отличаются по форме стекла, по качеству различий нет. Фары подключаются к штатной проводке и устанавливаются в крепления на бампере. В базовых комплектациях отсутствуют противотуманки. Для их подключения придется дополнительно приобрести кнопку в салон, реле ПТФ и демонтировать заглушки бампера.
В магазинах встречаются модернизированные фонари с линзами для газоразрядных ламп или светодиодными модулями. Такая продукция не сертифицирована для использования в Калине, поскольку не соответствует требованиям по безопасности транспорта. За такие детали можно получить штраф и предписание на устранение неисправности в течение 10 рабочих дней.
Передние фары
Самостоятельная замена фары потребует подготовки автомобиля и инструментов. Для работы потребуется:
- набор гаечных ключей;
- отвертки;
- тряпка;
- перчатки для защиты рук.



Для удобства работы нужно заранее помыть Калину и убрать пространство в гараже. Чтобы заменить фары, требуется демонтировать бампер и открутить несколько крепежных болтов.
Действия, необходимые, чтобы снять фары:
- Открыть крышку капота.
- Отключить клемму аккумулятора.
- Вытащить клипсы из передней части подкрылка.
- Открутить крепеж решетки радиатора и снять ее.
- Отщелкнуть все клипсы по контуру бампера и выкрутить саморезы.
- Снять бампер, не поцарапав уголки крыльев и фары.
- Отключить штекер питания оптики.
- Открутить два винта, удерживающие фонарь сверху.
- Отвернуть нижние болты фары.
- Аккуратно снять деталь.
Перед сборкой и установкой новой фары следует проверить наличие лампочек, а также их работоспособность. Для этого подключаем фонарь к разъему и проверяем весь функционал. При монтаже новой детали не стоит торопиться, важно соблюдать аккуратность и не повредить корпус или стекло.
Для разборки фары Калины потребуется их демонтаж. Выполнить ремонт фары Калины можно с помощью полировки стекла, его замены, промывки внутренних деталей или восстановления отражателя.



Чтобы снять стекло, потребуется:
- Демонтировать деталь.
- Нагреть фары в коробке с помощью фена.
- Оторвать стекло.
- Провести все требуемые работы и собрать фонарь с помощью специального герметика.
Чтобы разобрать фару, потребуется несколько часов времени в зависимости от опыта автовладельца. Замена стекол фар Калины улучшит экстерьер и повысит светопропускаемость.
Во время работы важно соблюдать технику безопасности, не оставлять фен без присмотра и использовать перчатки.
Перед установкой фонарей следует промыть места крепления и посадочное пространство. Монтаж выполняется в следующем порядке:
- Подключается штекер питания.
- Совмещаются крепления фары Калины и притягиваются штатными болтами.
- Навешивается бампер спереди и прикручивается на саморезы.
- Устанавливается радиаторная решетка.
- Возвращаются клипсы левого и правого подкрылков.



В версиях с противотуманными фонарями придется дополнительно подключить разъемы к лампам при установке бампера и отключить во время снятия.
Смотрите также
Комментарии 17
И что, все прошло? У нас тоже потеют 2 туманки
Будет полезно: Киа соренто 2 — список регламентных работ (то 1, 2, 3, 4) и детали при обслуживании
потели иногда, но быстро просушивались …
Ну посмотрим по обстоятельствам. прошлый владелец говорит разбирал их…
да разбирать он мог много раз, а вот эффекта мог и не добиться … я мелким сверлом снизу протыкнул пластик, влага быстро стала уходить .
Спасибо за совет))
а я сверлом 3 мм в низине фары сделал еще одно отверстие, что бы воздух гулял, потому как тот фильтр сверху забивается пылью и не работает как нада
в итоге я так и сделал . наискось и в нижней части . думаю пыль не должна попадать .
пыль? врядле, просто я давно ставил разные дополнительные туманки(и китай и польшу) на авто и у большинства снизу есть отверстие, а когда снял эти то был удивлен что сверху и то через сеточку и в него ртом дул, фара герметичная, а нагрев сильный вот и выпадает “точка росы” в сырую погоду, потому для отвода тепла будет самый раз, время покажет . п.с. когда просверлил оттуда вылилось грам15-20 воды
в итоге я так и сделал . наискось и в нижней части . думаю пыль не должна попадать .
отверстие работает ! проверено при -15 , туманка чистая !
у меня все чистое ))) и туманка не сыреет . а потела во время сильного дождя, даже когда не включал их .
отверстие работает ! проверено при -15 , туманка чистая !
А по лужам воды не набирает?
Я думаю в лужу глубиной более 25 см лучше не въезжать на легковом авто )) А в повседневной эксплуатации ничего не набирает, все норм
понятно))) прсто купил себе ксенон теперь думаю как бороться с влагой. Сейчас стоят диодные и тоже потеют
еще совет : перед установкой новых ксен ламп в фару, нужно их “прогреть ” минут 20-30 просто от акб, что бы с них испарилась как бы грязевая пленка, в обратном случае эта испарина вся осядит на отражателе и стекле
И на галогене температура была выше и фары не потели никогда, как поставил ксенон началось (( …Поделал дырочки внизу и стало намного лучше, в сырую погоду чучуть дымка запотевания появляется, ну хоть капли не появляются, а то от них потом будет .опа отражателю
раньше люди в фару тормозную жидкость лили чтоб не потело
да вот же, не выгоню воду, придется долить ))))
раньше люди в фару тормозную жидкость лили чтоб не потело
Противотуманные фары
ПТФ на Калину устанавливаются только на дорогие комплектации. Однако с завода проложена вся проводка и присутствуют «ушки» для крепежа на бампере. Чтобы установить фары, придется докупить клавишу включения, рамки в цвет кузова и реле.
Установка противотуманных фар:
- Отверткой снять заглушки под ПТФ.
- Прикрутить фонари в штатные выемки.
- Защелкнуть рамки, чтобы скрыть лишнюю полость.
В Лада Калина Кросс используются черные матовые заглушки, которые не требуют окраски. При монтаже своими силами следует заранее купить болты для крепления фары.
Как подключить электрическую часть
Подключение ПТФ в штатную проводку не занимает много времени. Для поиска косы следует осмотреть район лонжерона в месте входа основного пучка. Штекер для ПТФ примотан к проводам изолентой.
Противотуманные фары Калина 2 часто комплектуются подробной инструкцией и дополнительным переключателем, который нужно установить вместо старого модуля для включения света. Подключение к заранее проложенной проводке не занимает много времени и не требует прокладки дополнительных контактов.



При отсутствии кабелей питания в косе придется самостоятельно протягивать провода в салон, подключать их к разъему, противотуманки с плюсом и минусом и подключать через реле. Подробное описание подключения прилагается в комплекте с деталью в виде схемы.
В процессе монтажа потребуется:
- изолента;
- медные провода;
- гофра;
- разъемы, подходящие для ламп.
Во время прокладывания проводки следует отключить аккумулятор и строго следовать инструкции.
Установка противотуманных фар
Для начала нужно приобрести набор ПТФ (2 фары + 2 рамки) и набор для установки ПТФ (реле ПТФ, кнопка включения, провода, саморезы, коннекторы и инструкция).



Кроме этого понадобятся:
Универсальная пошаговая инструкция по установке ПТФ на Ладу:
- Открутить крепительные детали и стянуть бампер.
Обслуживание и замена задней фары
Чтобы заменить лампы в заднем фонаре Калина 2 универсал и хетчбэк, нужно снять всю блок-фару. Для этого нужно:
- Отщелкнуть заглушку рядом с болтом ремня безопасности.
- Открутить гайку.
- Открыть окошко уплотнителя и открутить оставшиеся крепежи.
- Вытащить фонарь.
- Лампы вытаскиваются с помощью поворота цоколя против часовой стрелки.
При замене ламп в кузове хэтчбек следует аккуратно снимать гайки, чтобы они не закатились под обшивку. Утерянная деталь будет греметь во время вождения, и в конечном итоге придется разбирать все багажное отделение.
В Калине седан присутствуют специальные отсеки в мягкой обивке для доступа к гайкам. Снимать дополнительные заглушки не потребуется.
Чтобы поддерживать автомобиль в отличном состоянии, требуется периодически выполнять замену ламп, чистить оптику или устанавливать новую. Для снятия передних, задних фар и противотуманок в Калине не требуется дорогостоящих инструментов и специальных знаний.
Выводы
Ознакомившись с информацией, которая дана в статье, вам будет проще ориентироваться за рулем и контролировать работу систем автомобиля Лада Калина.
Расположение ламп в заднем фонаре: 1 — патрон лампы сигнала торможения; 2 — патрон лампы заднего хода; 3 — патрон лампы указателя поворота; 4 — патрон лампы противотуманного и габаритного света



При открытой двери багажного отделения головкой «на 8» отворачиваем два болта крепления фонаря к задней стойке кузова.
Преодолевая сопротивление двух фиксаторов фонаря, входящих в пластмассовые держатели на кузове, сдвигаем фонарь назад и отводим от кузова.
Повернув патрон лампы противотуманного и габаритного света против часовой стрелки, вынимаем патрон с лампой из корпуса фонаря.



Комбинированная лампа противотуманного и габаритного света имеет два выступа, расположенных на разных уровнях и несимметрично относительно оси лампы.
Устанавливаем задний фонарь в обратной последовательности.






